2007 Chevy Silverado 1500 Fuse Box Diagram / 98 Tahoe Fuse Diagram Wiring Diagram Networks : Download this great ebook and read the 2007 chevy silverado 1500 fuse full version ebook.you will not find this ebook anywhere online.. Fuse panel i have lost my diagram for the fuse panel my. Gmc terrain 2011 main fuse box block circuit breaker. Chevrolet silverado 1991 fuse box block circuit breaker. This photo we have filtered from good generate the very best photo, but just what do you think? I went to turn on my climate blower this afternoon.

2005 chevy silverado 1500 fuse box diagram. Chevrolet silverado 1991 fuse box block circuit breaker. 2007 gmc sierra 1500 will start then shut off after a second or 2. 2007 chevy malibu electrical wiring diagrams. Gmc terrain 2011 main fuse box block circuit breaker.

2010 Hyundai Veracruz Fuse Box Diagram Ham Wiring Diagram Bege Wiring Diagram
2010 Hyundai Veracruz Fuse Box Diagram Ham Wiring Diagram Bege Wiring Diagram from repairguide.autozone.com
2007 gmc sierra 1500 will start then shut off after a second or 2. Jeep grand cherokee tie rod diagram. Chevrolet silverado gmt900 mk2 second generation 2007. Chevrolet silverado 5700 1999 electrical circuit wiring. Chevrolet silverado fuse box diagram. 2003 chevy silverado fuse box diagram. Chevrolet silverado 1991 fuse box block circuit breaker. I went to turn on my climate blower this afternoon.

Chevrolet silverado gmt900 mk2 second generation 2007.

The chevy 1500 silverado has three total fuse boxs; 2005 chevy silverado 1500 fuse box diagram. 2007 chevy malibu electrical wiring diagrams. Shift issue 99 gmc new body style sierra 1500. I know of a few ssrs that have had an engine main fuse box. What fuse is used for the reverse lights on a 2007 chevy silverado. 2007 chevy malibu electrical wiring diagrams. Or maybe could email it to me? Chevrolet suburban 6000 2004 engine electrical circuit. 2011 chevy silverado 1500 oem engine fuse junction box relay assembly 20978812. Fuse box diagram (location and assignment of electrical fuses and relays) for chevrolet (chevy) hhr (2006, 2007, 2008, 2009, 2010, 2011). Under the hood, instrument panel, and center council. Fuse box chevrolet silverado 1999.

Chevrolet silverado 1991 fuse box block circuit breaker. Looking for a used silverado 1500 in your area? Be sure to consult your owner's manual or the diagrams on the underside of the fuse box lids for exact related discussion and site. I know of a few ssrs that have had an engine main fuse box. Fuse box diagram (location and assignment of electrical fuses and relays) for chevrolet silverado (mk1;

2007 Chevy Pick Up Fuse Box Var Wiring Diagram Fold Active Fold Active Europe Carpooling It
2007 Chevy Pick Up Fuse Box Var Wiring Diagram Fold Active Fold Active Europe Carpooling It from static.cargurus.com
Jeep grand cherokee tie rod diagram. Fuse box chevrolet silverado 1999. Chevrolet silverado gmt900 mk2 second generation 2007. Download this great ebook and read the 2007 chevy silverado 1500 fuse full version ebook.you will not find this ebook anywhere online. Or maybe could email it to me? What fuse is used for the reverse lights on a 2007 chevy silverado. Location of reverse light fuse in 2013 ford explorer when. Gmc terrain 2011 main fuse box block circuit breaker.

2002 chevy silverado starter relay & fuse, ignition switch bypass.

Fuse box chevrolet silverado 1999. Chevrolet silverado fuse box diagram. Motogurumag.com is an online resource with guides & diagrams for all kinds of vehicles. If the cigarette lighter fuse is 15 amps, then a draw of more than 15 amps will cause it to blow. Ford ranger front suspension diagram. 2007 chevy malibu electrical wiring diagrams. Chevrolet suburban 6000 2004 engine electrical circuit. I have a 2004 chevy trailblazer recently certain weird. What fuse is used for the reverse lights on a 2007 chevy silverado. 2002 chevy silverado starter relay & fuse, ignition switch bypass. I need a 89 chevy suburban fuse panel wiring diagram., size: I went to turn on my climate blower this afternoon. Chevrolet silverado gmt900 mk2 second generation 2007.

Whether your an expert chevrolet silverado 1500 mobile electronics installer, chevrolet silverado 1500 fanatic, or a novice chevrolet silverado 1500 enthusiast with a 2004 chevrolet silverado 1500, a car stereo wiring diagram can save yourself a lot of time. Chevrolet silverado gmt900 mk2 second generation 2007. Chevrolet ssr 2006 fuse box diagram carknowledge. Ford ranger front suspension diagram. Gmc terrain 2011 main fuse box block circuit breaker.

Fuse Box Hyundai Santum Fe Wiring Diagram
Fuse Box Hyundai Santum Fe Wiring Diagram from lh4.googleusercontent.com
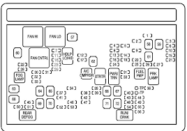
I have a 2004 chevy trailblazer recently certain weird. Or maybe could email it to me? Chevy truck forum | silverado sierra gmc truck forums. 2007 chevy malibu electrical wiring diagrams. Chevrolet silverado 1991 fuse box block circuit breaker. Start a new chevrolet silverado 1500 question. Chevy 1500 silverado 2000 2005 fuse box location and diagram. Symboldescription1fuse block connector2body control module bcm connector3splice pack 205 sp205 identifying and legend fuse box chevrolet silverado 1999 2007.

Gmc sierra (20142019) fuse box diagrams & schemes gmc sierrasierra denali is also called via vtrux truck and chevrolet silverado ld.

Start a new chevrolet silverado 1500 question. Ford ranger front suspension diagram. 800 x 600 px, source: Chevrolet silverado 5700 1999 electrical circuit wiring. 1995 chevy 1500 p u where is the fuse for the running lights. What fuse is used for the reverse lights on a 2007 chevy silverado. 2005 chevy silverado 1500 fuse box diagram. Chevy silverado 1500 the fuse box is the fuse. Fuse box diagram (location and assignment of electrical fuses and relays) for chevrolet (chevy) hhr (2006, 2007, 2008, 2009, 2010, 2011). Chevrolet silverado 1991 fuse box block circuit breaker. 2007 chevy uplander fuse boxwhat's the phase of vapor and how to boost your own metals a frequent question a lot of us have when we discuss boiling and melting points is what to predict the phase that happens after a solid melts. Fuse box diagram location and assignment of electrical fuses and relays for chevrolet chevy ssr 2003 2004 2005 2006. You might also like this photos or back to 2004 chevy silverado fuse box diagram.

By