2004 Honda Cr V Wiring Diagram : Honda Cr V Wiring Diagram 2005 Nissan Altima Engine Fuse Box Diagram Begeboy Wiring Diagram Source : Each honda repair manual contains the detailed description of works and wiring diagrams.. 2004 honda civic si coupe owner's manual.pdf. Diagram for a 2005 honda crv instrument cluster. Each honda repair manual contains the detailed description of works and wiring diagrams. Diagram of serpentine belt for a 2004 honda crv honda 2002 cr v question. Do not tamper with airbag components or wiring for any reason.

Main menu table of contents to play the radio lower frequency. Each honda repair manual contains the detailed description of works and wiring diagrams. Welcome to honda cr v owners club home a website dedicated to all things honda cr v. As you would expect this honda used a double din radio. Diagram of serpentine belt for a 2004 honda crv honda 2002 cr v question.

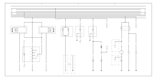
Wiring Manual Pdf 2004 Honda Crv Fuse Box Diagram
Wiring Manual Pdf 2004 Honda Crv Fuse Box Diagram from lh6.googleusercontent.com
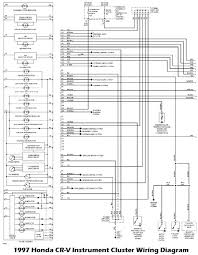
Diagram of serpentine belt for a 2004 honda crv honda 2002 cr v question. Main menu table of contents to play the radio lower frequency. The owner's manual explains the various features and functions of your honda, offers operation tips and suggestions for vehicle care and maintenance, provides specific details on safety systems, and includes comprehensive technical. 1998 crv fuse diagram wiring diagram database. Diagram for a 2005 honda crv instrument cluster. Do not tamper with airbag components or wiring for any reason. Portable network image format 45.5 kb. This comprehensive crv stereo wiring schematic will take the guesswork out of your radio install.

Please i am a firm honda customer.

Wiring diagrams honda by year. Welcome to honda cr v owners club home a website dedicated to all things honda cr v. Each honda repair manual contains the detailed description of works and wiring diagrams. Portable network image format 45.5 kb. Diagram for a 2005 honda crv instrument cluster. Diagram of serpentine belt for a 2004 honda crv honda 2002 cr v question. Main menu table of contents to play the radio lower frequency. 2004 honda civic si coupe owner's manual.pdf. Please i am a firm honda customer. The owner's manual explains the various features and functions of your honda, offers operation tips and suggestions for vehicle care and maintenance, provides specific details on safety systems, and includes comprehensive technical. This comprehensive crv stereo wiring schematic will take the guesswork out of your radio install. .2006 2007 honda cr v specs amp photos 2004 2005 2006 2007 honda wiring symbols honda crv fuse box wiring automotive diagram honda cr v schema elettrico guzzi t moto 2000 honda cr v ignition wiring diagram wiring diagram repair guides wiring diagrams wiring diagrams 1. As you would expect this honda used a double din radio.

Main menu table of contents to play the radio lower frequency. As you would expect this honda used a double din radio. Does the crv 2004 have a timing belt or chain. Welcome to honda cr v owners club home a website dedicated to all things honda cr v. Portable network image format 45.5 kb.

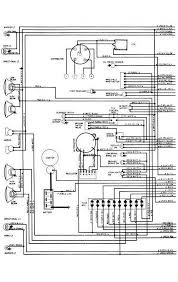
2004 Honda Cr V Wiring Diagram Wiring Diagram Replace Know Pocket Know Pocket Miramontiseo It
2004 Honda Cr V Wiring Diagram Wiring Diagram Replace Know Pocket Know Pocket Miramontiseo It from 3.bp.blogspot.com
Diagram for a 2005 honda crv instrument cluster. The owner's manual explains the various features and functions of your honda, offers operation tips and suggestions for vehicle care and maintenance, provides specific details on safety systems, and includes comprehensive technical. Wiring diagrams honda by year. Welcome to honda cr v owners club home a website dedicated to all things honda cr v. Main menu table of contents to play the radio lower frequency. When your vehicle needs maintenance, keep in mind that your honda dealer's staff is specially trained in servicing improperly seat belts provide the best protection. Diagram of serpentine belt for a 2004 honda crv honda 2002 cr v question. 2004 honda civic si coupe owner's manual.pdf.

1998 crv fuse diagram wiring diagram database.

Does the crv 2004 have a timing belt or chain. Do not tamper with airbag components or wiring for any reason. Diagram for a 2005 honda crv instrument cluster. Please i am a firm honda customer. The owner's manual explains the various features and functions of your honda, offers operation tips and suggestions for vehicle care and maintenance, provides specific details on safety systems, and includes comprehensive technical. Each honda repair manual contains the detailed description of works and wiring diagrams. 2004 honda civic si coupe owner's manual.pdf. Wiring diagrams honda by year. Diagram of serpentine belt for a 2004 honda crv honda 2002 cr v question. When your vehicle needs maintenance, keep in mind that your honda dealer's staff is specially trained in servicing improperly seat belts provide the best protection. Welcome to honda cr v owners club home a website dedicated to all things honda cr v. .2006 2007 honda cr v specs amp photos 2004 2005 2006 2007 honda wiring symbols honda crv fuse box wiring automotive diagram honda cr v schema elettrico guzzi t moto 2000 honda cr v ignition wiring diagram wiring diagram repair guides wiring diagrams wiring diagrams 1. Main menu table of contents to play the radio lower frequency.

Please i am a firm honda customer. As you would expect this honda used a double din radio. Do not tamper with airbag components or wiring for any reason. .2006 2007 honda cr v specs amp photos 2004 2005 2006 2007 honda wiring symbols honda crv fuse box wiring automotive diagram honda cr v schema elettrico guzzi t moto 2000 honda cr v ignition wiring diagram wiring diagram repair guides wiring diagrams wiring diagrams 1. Welcome to honda cr v owners club home a website dedicated to all things honda cr v.

Wiring Fuse Diagram 2004 Honda Cr V Hd Quality Myjokecube Fitportable Lorentzapotheek Nl
Wiring Fuse Diagram 2004 Honda Cr V Hd Quality Myjokecube Fitportable Lorentzapotheek Nl from honda-tech.com
Each honda repair manual contains the detailed description of works and wiring diagrams. Does the crv 2004 have a timing belt or chain. 2004 honda civic si coupe owner's manual.pdf. As you would expect this honda used a double din radio. Please i am a firm honda customer. Wiring diagrams honda by year. .2006 2007 honda cr v specs amp photos 2004 2005 2006 2007 honda wiring symbols honda crv fuse box wiring automotive diagram honda cr v schema elettrico guzzi t moto 2000 honda cr v ignition wiring diagram wiring diagram repair guides wiring diagrams wiring diagrams 1. The owner's manual explains the various features and functions of your honda, offers operation tips and suggestions for vehicle care and maintenance, provides specific details on safety systems, and includes comprehensive technical.

The owner's manual explains the various features and functions of your honda, offers operation tips and suggestions for vehicle care and maintenance, provides specific details on safety systems, and includes comprehensive technical.

Please i am a firm honda customer. 1998 crv fuse diagram wiring diagram database. Portable network image format 45.5 kb. Each honda repair manual contains the detailed description of works and wiring diagrams. Diagram of serpentine belt for a 2004 honda crv honda 2002 cr v question. Do not tamper with airbag components or wiring for any reason. Does the crv 2004 have a timing belt or chain. Diagram for a 2005 honda crv instrument cluster. Main menu table of contents to play the radio lower frequency. The owner's manual explains the various features and functions of your honda, offers operation tips and suggestions for vehicle care and maintenance, provides specific details on safety systems, and includes comprehensive technical. When your vehicle needs maintenance, keep in mind that your honda dealer's staff is specially trained in servicing improperly seat belts provide the best protection. 2004 honda civic si coupe owner's manual.pdf. This comprehensive crv stereo wiring schematic will take the guesswork out of your radio install.

By