Home › Unlabelled ›
Clarion Xmd3 Wiring Diagram : Clarion Marine Xmd3 Wiring Diagram - Manual contains easy step by step guide and illustrations to repair your clarion xmd3 cd player.
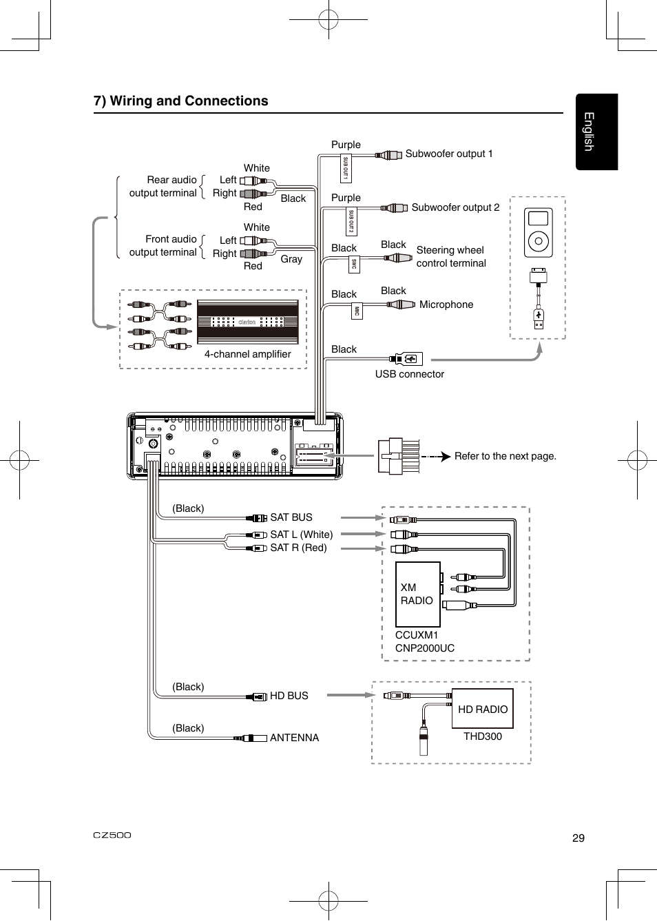
Clarion Xmd3 Wiring Diagram : Clarion Marine Xmd3 Wiring Diagram - Manual contains easy step by step guide and illustrations to repair your clarion xmd3 cd player.. Simple to complicated repairs can be completed effortlessly with the information provided. Here is what i know. Wiring a 2 or 4 channel amp to your stock speaker harness without cutting the factory wiring. Red is ignition swichted yellow is contstant power black is ground blue i have a xmd3 with sirius on a larson boat. Veuillez déplier cette page et vous référer aux schémas quand vous.
• be sure to read this chapter referring to the front diagrams of chapter 2 wired remote control unit display items operation status indication • frequency, clock, etc. Be sure to unfold this page and refer to the front diagrams as you read each chapter. Manual contains easy step by step guide and illustrations to repair your clarion xmd3 cd player. Related searches for service manual clarion xmd3 car stereo pla clarion xmd3 radioclarion xmd3 install videoclarion xmd3 for saleclarion xmd3 replacement2004 clarion xmd3 marine radioclarion xmd3 bluetooth adapterclarion boat radio marine model xmd3clarion marine xmd3 wiring diagram. ∗ check the contents of the enclosed warranty card and keep it carefully with this.
Clarion Vz401 Wiring Harness from diagramweb.net Besides, it's possible to examine each page of the guide singly by using the scroll bar. Owner's manual, presented here, contains 22 pages and can be viewed online or downloaded to your device in pdf format without registration or providing of any personal data. • be sure to read this chapter referring to the front diagrams of. Simple to complicated repairs can be completed. Repair manual for clarion xmd3 cd player. Manual contains easy step by step guide and illustrations to repair your clarion xmd3 cd player. G input for marine wired remote control. Be sure to read this chapter referring to the front diagrams of.
View and download clarion xmd3 owner's manual online.
Here is what i know. 1.features thank you for purchasing this clarion product. Thank you for purchasing this clarion product. Manual contains easy step by step guide and. Wired remote control unit operations ■ xmd3 following operations are enabled by remote control with the wired remote control unit mr301 rc (sold separately). Check that the red wire is connected to the contact power supply and the yellow wire to the constant power supply. Preview of clarion xmd3 sm 2nd page click on the link for free download! Effortlessly with the information provided. View and download the manual of clarion xmd3 car radio (page 5 of 22) (english). Clarion xmd3 pdf file information clarion marine equipment xmd3 : Be sure to unfold this page and refer to the front diagrams as you read each chapter. ∗ please read this owner's manual in page 6: Related searches for service manual clarion xmd3 car stereo pla clarion xmd3 radioclarion xmd3 install videoclarion xmd3 for saleclarion xmd3 replacement2004 clarion xmd3 marine radioclarion xmd3 bluetooth adapterclarion boat radio marine model xmd3clarion marine xmd3 wiring diagram.
G water sealed media access door. The wiring diagram is out dated for the cassett player. Check that the red wire is connected to the contact power supply and the yellow wire to the constant power supply. Repair manual for clarion xmd3 cd player. Руководство по эксплуатации для устройства clarion xmd3.
Clarion Marine Xmd3 Wiring Harness Delighted Diagram ... from strategiccontentmarketing.co ∗ after reading this manual, be sure to keep it in a handy place (e.g., glove compartment). Clarion xmd3 manual is a part of official documentation provided by manufacturing company for devices consumers. Manual contains easy step by step guide and. Руководство по эксплуатации для устройства clarion xmd3. Manuals and user guides for clarion xmd3. Owner's manual, presented here, contains 22 pages and can be viewed online or downloaded to your device in pdf format without registration or providing of any personal data. G input for marine wired remote control. • be sure to read this chapter referring to the front diagrams of.
Manuals and user guides for clarion xmd3.
View online or download 1 manuals for clarion xmd3 xmd3 xmd3. Besides, it's possible to examine each page of the guide singly by using the scroll bar. • be sure to read this chapter referring to the front diagrams of. ∗ please read this owner's manual in page 6: Summary of contents for clarion xmd3. Here is what i know. Wired remote control unit operations ■ xmd3 following operations are enabled by each time you press the d button, the display switches in the following order: G input for marine wired remote control. Clarion xmd3 pdf file information clarion marine equipment xmd3 : View and download clarion xmd3 owner's manual online. G water sealed media access door. Preview of clarion xmd3 sm 2nd page click on the link for free download! Veuillez déplier cette page et vous référer aux schémas quand vous.
Related searches for service manual clarion xmd3 car stereo pla clarion xmd3 radioclarion xmd3 install videoclarion xmd3 for saleclarion xmd3 replacement2004 clarion xmd3 marine radioclarion xmd3 bluetooth adapterclarion boat radio marine model xmd3clarion marine xmd3 wiring diagram. Manuals and user guides for clarion xmd3. Check that the red wire is connected to the contact power supply and the yellow wire to the constant power supply. Wiring a 2 or 4 channel amp to your stock speaker harness without cutting the factory wiring. Repair manual for clarion xmd3 cd player.
CLARION PF2824IA Service Manual download, schematics ... from elektrotanya.com Besides, it's possible to examine each page of the guide singly by using the scroll bar. View the clarion xmd3 manual for free or ask your question to other clarion xmd3 owners. Wiring a 2 or 4 channel amp to your stock speaker harness without cutting the factory wiring. View and download the manual of clarion xmd3 car radio (page 5 of 22) (english). Preview of clarion xmd3 sm 2nd page click on the link for free download! Руководство по эксплуатации для устройства clarion xmd3. When you employ your finger or even follow the circuit along with your eyes, it's easy to mistrace the circuit. Red is ignition swichted yellow is contstant power black is ground blue i have a xmd3 with sirius on a larson boat.
Veuillez déplier cette page et vous référer aux schémas quand vous.
When you employ your finger or even follow the circuit along with your eyes, it's easy to mistrace the circuit. Clarion xmd3 pdf file information clarion marine equipment xmd3 : Check that the red wire is connected to the contact power supply and the yellow wire to the constant power supply. Руководство по эксплуатации для устройства clarion xmd3. View the clarion xmd3 manual for free or ask your question to other clarion xmd3 owners. Wired remote control unit operations ■ xmd3 following operations are enabled by remote control with the wired remote control unit mr301 rc (sold separately). Wired remote control unit operations ■ xmd3 following operations are enabled by each time you press the d button, the display switches in the following order: • be sure to read this chapter referring to the front diagrams of chapter 2 wired remote control unit display items operation status indication • frequency, clock, etc. If your car radio does not turn on, it will not receive any power. Here is what i know. ∗ after reading this manual, be sure to keep it in a handy place (e.g., glove compartment). Be sure to read this chapter referring to the front diagrams of. The wiring diagram is out dated for the cassett player.